福祿克F15B+和F17B+電路故障維修經驗系列- 電表開機無任何顯示
| 導讀:福祿克F15B+和F17B+電路故障維修經驗系列,下面的圖上我們可以看出F15B和F17B的區別在于15B沒有溫度測量功能,而F17B有溫度測量功能,F15B比F17B少了兩個按鈕,分別足相對值REL和頻率,其實F15B改造F17B非常簡單,F15B就是用的F17B的板,導電開關己經印刷在板子上了,只要加上兩個按鈕,在加上三個運放和兩個電位器就可以改造成17B并且有溫度測量功能。
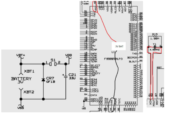
下面為福祿克15B/17B的拆機圖,他們的區別就是在于少了三個運放和兩個電位器,從圖上我們可以著出該萬用表采用臺灣富晶公司生產的FS9721_LP3帶微處理器的3/4位AD轉換器,該A/D轉換器集成電壓,電流,電阻,蜂鳴,頻率,AC/DC轉換(內置運算放人器)等功能,外接4M石英晶體振蕩器做時鐘振蕩器,16腳的IC為HC148是一個異或門是用在小數點驅動電路作用是驅動小數點進行動態顯示,左面有一個八腳IC,LT1097, 1097 下面有個五腳的IC LMC7111, mA插孔附近也有一個五角的IC,TMP35 ,這三個IC分別做溫度擋測量電路,做溫度/電壓轉換。 Fluke 15B+與Fluke 17B+電表開機無任何顯示:首先要檢3V電源電池是否有電,如果3V電源正常,則第二步要檢測電池觸片是否氧化,接觸不良,電池觸片折斷,與電路板開焊等,如果都沒問題,第三部分檢查波段開關,下圖中的S1,是否出現波段開關V子片變形接觸不良,導致電表無顯示,如果都都沒有問題,則要重點檢測液晶屏和導電膠,是否導電橡膠氧化或液晶顯示屏損壞導致無法顯示,如果導電橡膠和液晶屏均正常,則要檢查主芯片部分。首先檢查主芯片工作條件3V電源加到48腳和44腳,兩只表筆分別測量48腳和44腳必須要有2.8V以上電源,如果沒有就是S1開關到9721的48腳有開路,如果有2.8V電源電表無顯示則要檢查外接4M晶振是否起振,如果晶振沒問題,電表還無顯示,那邊則說明FS9721_LP3性能不良,虛焊或擊穿導致電表無法開機,如果FS9721_LP3擊穿的話,整機電流會很大的直接更換主芯片即可修復。
其他Fluke 15B 與F17B維修參考: 點擊:FLUKE 15B+與17B+維修故障1:電表開機無任何顯示 點擊:FLUKE 15B+與17B+維修故障2:直流電壓擋無法測量故障維修 點擊:FLUKE 15B+與17B+維修故障3:交流檔不能測量故障維修 點擊:FLUKE 15B+與17B+維修故障4:AC/DC 電流擋不能測量故障 點擊:FLUKE 15B+與17B+維修故障5:17B 溫度擋不能測量故障維修 點擊:FLUKE 15B+與17B+維修故障6: 萬用表開機不顯示小數點任何擋位也均不顯示小數點
|
本文關鍵字: F15B+維修, F17B+維修, fluke萬用表維修, fluke維修
原創標題:福祿克F15B+和F17B+電路故障維修經驗系列- 電表開機無任何顯示
原文鏈接:http://www.whjsdny.com/archives/f15-f17-wx.html
版權說明:本文為深圳市連訊達電子技術開發有限公司官網(www.whjsdny.com)版權所有。如果您需要轉載,請注明出處并保留原文鏈接!如為轉載文章會注明文章出處,轉載文章不代表本公司觀點。對于某些同行無恥惡意抄襲剽竊連訊客戶案例的違法行為,連訊將追究法律責任!
詳情請致電連訊公司:0755-83999818





新一代中文手持式測試儀 – 省時省力。
新一代中文手持式測試儀 – 省時省力。
新一代手持式網絡分析儀 – 省時省力。
新一代快速OTDR測試儀 – 省時省力。
